一、特點:
1.全封閉印刷線路板直接焊接安裝,使用方便、外形美觀;
2.結構緊湊、堅固、抗振、防潮、阻燃;
3.空載電流小,功率因數高,輸入過電壓范圍寬;
4.抗電強度高達12kV;
5.也可根據客戶需求用軟線引出。
二、使用環(huán)境條件:
1.環(huán)境溫度:-25℃~+70℃;
2.相對濕度:溫度為40℃時不大于90%;
3.大氣壓力:860~1060mbar (約為650~800mmHg)
三、絕緣耐熱等級:B級(130℃)
四、安全特性:
1.絕緣電阻:常態(tài)時大于1000MΩ;
2.抗電強度:可承受工頻12kV/1分鐘;
3.抗電沖擊:可承受脈沖6kV/50μS連續(xù)20次沖擊;
4.阻燃性:符合UL94-V0級;
五、安全認證:CE
六、額定功率:2VA。
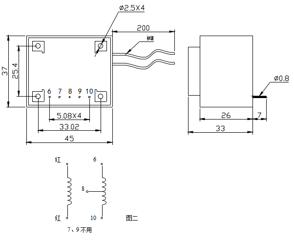
七、外形圖、安裝尺寸及詳細技術參數見下圖:
1.引腳引出時外形尺寸及引腳位置:


2.軟線引出時外形尺寸及引腳安排:

